- A+
球盟会官网报道
【新人豪礼】新会员专享注册送88元体验金,存100送100,再送免费游戏局
【存款返赠】使用虚拟币支付额外再赠2%,均可获赠58元红包优惠券!
最佳投注体验,超高游戏赔付,千场精彩赛事,下载体育APP,等你来战。
其实这个问题很好解释,即便是同一块SSD在不同的电脑上进行测试,也可能有不同的速度表现,既受硬件因素影响,也会受到软件因素影响。
具体来说,CPU性能、PCIe通道状况和软件算法都会造成测试结果的差异。
1.CPU的影响
举个例子,现在PCIe4.0满速SSD多有宣称自身极限读取速度为7400MB/s的:
![]()
但是实际使用CrystalDiskMark等软件测速时,在Intel平台的电脑上基本无论如何都跑不到7200MB/s的速度:
![]()
这就是由于PCIe有效载荷Maximum Payload Size(MPS)也会对测试结果产生影响。
![]()
目前只有AMD平台才能支持512字节的MPS,512字节的MPS理论上可以提供7.5GB/s的数据传输率;Intel平台只支持256字节的MPS,理论读取速度就被限制到了7.15GB/s以内。
另外,固态硬盘的读写性能与CPU性能息息相关,CPU主频和单核性能对顺序和随机读写性能的影响也很大。
一般来讲,CPU主频越高,单核性能越强,SSD的4K随机读取速度也就越快。
2.PCIe通道的影响
另外,SSD插在不同槽位上,能发挥出的性能是不一样的,只有在直通CPU的时,SSD才能发挥完全的性能。
在计算机中,不同设备之间想要交互数据,必需通过计算机中用于通讯的“路”,也就是计算机中所称的“总线”。可以想象为不同城市之间运送货物的必需通过公路一样。我们常见的PCIe就是运行在CPU外部的总线的一种。
![]()
同时,就像公路有双车道、4车道、8车道之分一样,PCIe4.0、3.0、2.0等不同标准也是对于通道允许通过的数据速率的划分,单就速率上限而言,1XPCIe4.0=2XPCIe3.0=4XPCIe2.0。
在计算机中,需要与CPU通讯的设备有很多,比如内存、显卡、硬盘、键鼠外设、网卡声卡等。如果这些设备全都直接与CPU连通,那么对CPU的设计难度就太高了,同时对于设备的模块化要求也要成倍的提高,主板上的布线难度也会有指数级提升。
![]()
为了规避这个问题,就要减少直通CPU的设备数量,厂商给出的方案是通过主板上的南桥芯片组进行转接,就像是外部设备的交互中转站一样。
- 像显卡、内存等对延迟和带宽要求较高的设备肯定要保证和CPU直接通讯;
- 而像网卡声卡、键鼠外设等对性能要求不高的设备,则是由南桥芯片组进行管理,交互数据时都要通过南桥芯片组转接一手。CPU与南桥芯片组之间,则通过DMI通道进行连接。
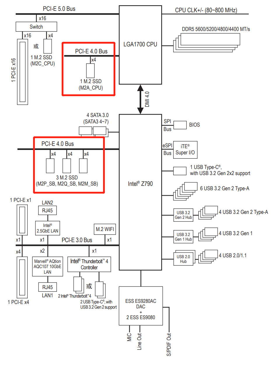
![]()
这是一张Intel Z790主板的功能线框图。可以发现,只有一个M.2槽位直通CPU,另外三个M.2槽位是由南桥芯片组转接而来。而为了便于主板布线,直通CPU的这个M.2槽位一般会放在最靠近CPU的位置。
我们用朴素的经验可以想象到,这就跟工程转包一样,第一手直通甲方的M.2槽位,其效率肯定要比转包商跟甲方沟通顺畅的多。
所以SSD插在南桥芯片组转接出的插槽上,其性能会受一些影响,就很好理解了。
为了明确这个影响到底有多大,我将傲腾900P插在直通CPU的M.2插槽上,使用CrystalDiskMark测试的结果如下:
![]()
然后将其换到南桥芯片组转接处的M.2插槽上,使用CrystalDiskMark测试的结果如下:
![]()
顺序读写速度没啥区别,不过明显可以看出Q1T1单队列单线程下,直通CPU状态比通过南桥组芯片转接,4K随机读写速度都高了10%左右,并且延迟也各增加了1us多点。
同样整理出图表,可以看得更直观一些:
![]()
经过实际测试我们终于能得出结论了:
SSD直通CPU的情况下,其4K随机读写性能要比通过南桥芯片组转接强了10%左右,不过顺序读写速度并无差异。
所以建议大家尽量将SSD(尤其是系统盘)优先插在最靠近CPU的插槽上,这样才能完全发挥SSD的最强性能。
甭管能不能用得出区别,起码有性能咱不用,就是亏了~
3.软件算法的影响
这里先举俩例子,CrystalDiskMark和AS SSD Benchmark。
作为最常用的硬盘测试软件之一,CrystalDiskMark能够非常直观的展示SSD在SLC缓内的读写性能表现,大部分SSD厂商的标称参数也正是由该软件测试而来的。
下图是之前测过的爱国者P7000Z 2T的成绩:
![]()
CrystalDiskMark默认显示的是多次跑分的最高成绩,AS SSD Benchmark与CrystalDiskMark使用的测试算法略有不同,以10进制测试并以2进制输出结果,且显示的是平均成绩。
所以正常情况下AS SSD Benchmark的测试结果无论如何都会比CrystalDiskMark低一些,比如下图是同一块SSD使用AS SSD Benchmark的测试结果,顺序读写数值明显偏低。
![]()
不过由于AS SSD Benchmark有打分机制,对比相对直观,还是有点参考价值,所以一般在SSD评测过程中我们还是会捎带手测试一下。
其次,不同SSD固件的调校方向不同,使用不同的线程/队列设置,也可能会造成测试结果有所不同:
![]()
最后还有一些杂七杂八的影响因素,比如在测试过程中如果操作系统中有后台程序正在占用CPU/SSD性能,也可能会影响到测试的结果等等。
下注网址直达:球盟会官网
关于球盟会
球盟会与世界领先合法博彩娱乐平台系统商进行技术上合作。提供有亚洲最多元,专业,顶尖,公正,安全的线上娱乐产品服务,畅享无与伦比的游戏体验。
球盟会提供给玩家的娱乐产品丰富多样化,有多种特色老虎机任您选择。加入球盟会,畅享无与伦比的游戏体验。选择球盟会,绝对是您最明智的选择!
前往 球盟会官网
球盟会官网 最佳投注体验,超高游戏赔付,千场精彩赛事,下载球盟会APP,等你来战!,注册送88元,首存豪礼送不停,美女宝贝双飞空降,夜夜笙箫
以上内容由球盟会(www.qm-hui.com)整理发布。










